專業技術支持,穩定供貨保障
工業控制領域,通訊板電源設計是關鍵。傳統方案為每個RS-485芯片單獨配備電源模塊。
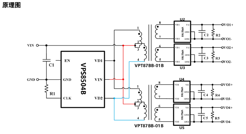
現推出源特半導體的多路輸出方案:采用單個DC/DC隔離電源模塊配合多路變壓器,為板上多個485芯片集中供電,顯著降低成本。
     
方案還提供橋式整流器VPS2703,集成了智能限壓器功能,不需要在外圍添加假負載電阻,在空載時才吸收電流,有效防止輸出電壓飄高。而且該智能限壓器在輸出帶負載時不起作用,因此不犧牲效率。
     
GQ通信在動環系統國產化替換中,發現替換后的485電源模塊成本仍偏高。后采用匯超電子的多路輸出方案,成功將成本控制在預期內。
【本文標簽】
【聲明】